空降24小时上门

謝謝,招待惠臨樂清市春虹電子器材無現總部
樂清市春虹電子器材無數企業

泉源廠家, 撐持定制,知心折務,雙贏將來

天下2洽談咨詢熱線: 0577-61316969
接洽咱們
樂清市春虹電子無限公司
征詢熱線:18968817571
公司德律風:0577-61316969
公司地點:浙江省樂清市虹橋鎮模具中間二區D棟

帶燈輕觸開關選春虹

天地洽談德律風: 0577-61316969

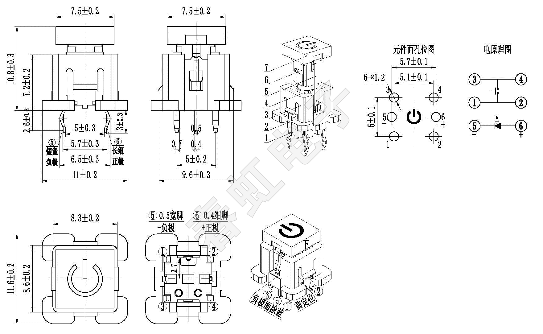
帶燈6x9系列

型號:KFCA0664-10.7H

天氣查詢品階: -25°C至75°C其他的值: 30V DC,30mA打架電容: ≤0.05Ω耐額定電壓: 250V AC隔熱功率電阻: ≥100MΩ新舉措力: 260gf±50gf/160gf±50gf/耐用度: 10W times鹽霧實驗操作: 12±1 hours環境光的色彩:紅/藍/綠/白/紅白藍/紅綠等太陽帽歸類:透孔/不透孔頭盔方法:人性/黑漆/銀漆/鐳雕肆無忌憚標注


產物概況

0664-7.png

創春虹牌子、創先爭優超頂級大學技術團隊、超頂級大學思想道德、超頂級大學品牌
0577-61316969